А-схема мотоблока 9-18 л.с.
0.00 р.
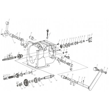
Схема мотокультиватора: коробки передач и редуктора.Для упрощения заказа запчастей назовите № детали и МЫ подскажем Вам наличие и цену.Смотрите раскладку запчастей:Схема коробки передач мотоблока 9-18 л.с.Схема редуктора мотоблока 9-18 л.с.... →
Схема мотокультиватора: коробки передач и редуктора.
Для упрощения заказа запчастей назовите № детали и МЫ подскажем Вам наличие и цену.
Смотрите раскладку запчастей:
Перед посещением магазина ВЫ может уточнить наличие товара у операторов, забронировать товар, позвонив по номерам:
Магазин Брест: +375 29 243 19 19; +375 29 818 18 04 мтс.
Написать отзыв
Нет отзывов об этом товаре.
Вы просматривали

