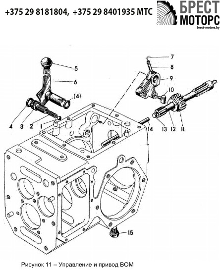
А-схема мотоблока МТЗ БЕЛАРУС 09Н






















Перед посещением магазина ВЫ может уточнить наличие товара у операторов, забронировать товар, позвонив по номерам:
Магазин Брест: +375 29 243 19 19; +375 29 818 18 04 мтс.
Написать отзыв
Нет отзывов об этом товаре.
Теги: Схема мотоблока, МТЗ 0, 5, 05, 09H, 09Н, БЕЛАРУС 09Н, запчасти для мотоблока, брест, кобрин, сморгоньский мотоблок,

